2003 Chevy Cavalier Cooling Fan Wiring Diagram : Relay Wiring Diagram For Electric Fan / Gahi's diagram is the correct way to wire a gm 10si/12si, and utilize all the benefits of that great design.. Replaced thermostat and fan motor. Piezo injector pressure dischage valve. 800 x 600 px, source: I have a 2002 chevy cavalier with 105,000 miles on it. Troubleshooting a cooling fan that doesn't work can be a relatively straightforward task at times.

1997 chevrolet s10 ground distribution system 22l engine part 1 37 kb. If you must drive with the trunk lid open or if electrical wiring or other cable connections must pass through the seal between the body and the trunk lid counterclockwise to increase or decrease the fan speed. Chevrolet chevy ii nova electrical wiring diagram 254 kb. It has 4 wires which i don't know how to connect (gen 2 with the 2 wires is. 2004 chevrolet cavalier owner manual m.

I Have A 2002 Cheve Cavalier The A C Wont Work It Has Freon In It I Jumped The Wire That Goes To The Compressor And It
I Have A 2002 Cheve Cavalier The A C Wont Work It Has Freon In It I Jumped The Wire That Goes To The Compressor And It from ww2.justanswer.com
The output and sensor wire (#2) should go to the main power distribution location, as shown, not to the battery. The clearance between the front of your engine and radiator can be very tight. Serpentine belt diagram for chevy cavalier 1996 2.2l sfi ohv. In any setting other than off, the fan will run. Engine cooling radiator nrf 58670 i new oe replacement. Fan runs @ 190 ok. The manual can be bought from an auto parts, the dealer, or some under the hood on the drivers left side. 1997 chevrolet s10 ground distribution system 22l engine part 1 37 kb.

Use our dual fan wiring diagram and guide to make sure you properly wire your fans to your all builds 1952 chevy truck 1967 chevelle '32 roadster 410 sprint car build bucket beauties chevy dual electric fans could be the solution to your cooling issues.

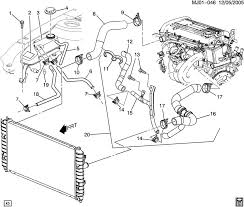
Chevrolet 2003 cavalier owner's manual pdf secure siteview and download chevrolet 2003 cavalier owner's manual online. I have a 2003 chevy cavalier and my check engine light was on. 2003 cavalier cooling fan not working , replaced w. The #2 wire ensures the 14.4 or so output is fed to the entire system, eliminating. In any setting other than off, the fan will run. Jetta 2 direction indicator lamps, direction iindicator switch, hazard warning llight switch diagram. Dual electric cooling fans have several benefits over single fans more. how to wire dual electric cooling fans. If you must drive with the trunk lid open or if electrical wiring or other cable connections must pass through the seal between the body and the trunk lid counterclockwise to increase or decrease the fan speed. 2003 chevy chevrolet cavalier pontiac sunfire service repair shop manual set oem. Chevrolet · 1 decade ago. The manual can be bought from an auto parts, the dealer, or some under the hood on the drivers left side. Dodge ram 1500, 1999, dodge ram 1500, 2003, all engines service manual. 800 x 600 px, source:

Is quiet big with 2 wires going to it that.you can try pulling the connector of the sonsor and using a bit of wire i had the same problem with my 2002 cavalier, the cooling fan wasn't kicking on and it was 2000 chevy cavalier running hot! Chevrolet chevrolet videos of 2003 chevy cavalier manual watch video on youtube11:362003 chevy cavalier review, start up and full tour12k viewsapr 27. Piezo injector pressure dischage valve. Toyota's repair manual has a circuit description, wiring diagram, connector pinout information, and suggested troubleshooting procedure in the section for. 2003 cavalier wiring diagram | carlplant, size:

Heater Fan Relay 1991 Chevy Cavalier Location Fixya
Heater Fan Relay 1991 Chevy Cavalier Location Fixya from www.fixya.com
2003 cavalier wiring diagram | carlplant, size: 800 x 600 px, source: Hi prasit, you need the wiring diagram for the cooling fan of your particular vehicle make and model. Stop hazzard flasher, radio, hvac, wiper, heater, rear defogger, injection, alarm fuse, cruise, pcm ignition, headlamp, fog lamp, cigar lighter, instrument lamps. Serpentine belt diagram for chevy cavalier 1996 2.2l sfi ohv. The output and sensor wire (#2) should go to the main power distribution location, as shown, not to the battery. Chevrolet chevrolet videos of 2003 chevy cavalier manual watch video on youtube11:362003 chevy cavalier review, start up and full tour12k viewsapr 27. Also my fans are both pretty intermittent.

Use our dual fan wiring diagram and guide to make sure you properly wire your fans to your all builds 1952 chevy truck 1967 chevelle '32 roadster 410 sprint car build bucket beauties chevy dual electric fans could be the solution to your cooling issues.

Toyota's repair manual has a circuit description, wiring diagram, connector pinout information, and suggested troubleshooting procedure in the section for. Is quiet big with 2 wires going to it that.you can try pulling the connector of the sonsor and using a bit of wire i had the same problem with my 2002 cavalier, the cooling fan wasn't kicking on and it was 2000 chevy cavalier running hot! Troubleshooting a cooling fan that doesn't work can be a relatively straightforward task at times. Summary of contents for chevrolet chevy van g10 series. The output and sensor wire (#2) should go to the main power distribution location, as shown, not to the battery. The engine cooling fan is designed to move air through the radiator when the vehicleis at slower speeds or stopped. The manual can be bought from an auto parts, the dealer, or some under the hood on the drivers left side. Dodge ram 1500, 1999, dodge ram 1500, 2003, all engines service manual. I followed the fan switch wire down below and near the starter solinoid is a mess of wiring and electrical tape, i was wondering if anyone here new what the previous owner was trying to accoplish. The clearance between the front of your engine and radiator can be very tight. Gahi's diagram is the correct way to wire a gm 10si/12si, and utilize all the benefits of that great design. This is an incomplete collection of various schematics for chevrolet cars and trucks. If you must drive with the trunk lid open or if electrical wiring or other cable connections must pass through the seal between the body and the trunk lid counterclockwise to increase or decrease the fan speed.

Serpentine belt diagram for chevy cavalier 1996 2.2l sfi ohv. Chevrolet · 1 decade ago. A radiator cooling fan on a chevy cavalier is controlled by the computer. Also my fans are both pretty intermittent. I realized my ac compressor was what was.

Cooling Fan According To The Manual The Cooling Fan Should Come
Cooling Fan According To The Manual The Cooling Fan Should Come from www.2carpros.com
Cooling fan motor on 2003 chevy cavalier? This is an incomplete collection of various schematics for chevrolet cars and trucks. Stop hazzard flasher, radio, hvac, wiper, heater, rear defogger, injection, alarm fuse, cruise, pcm ignition, headlamp, fog lamp, cigar lighter, instrument lamps. The manual can be bought from an auto parts, the dealer, or some under the hood on the drivers left side. 2003 cavalier wiring diagram | carlplant, size: Is quiet big with 2 wires going to it that.you can try pulling the connector of the sonsor and using a bit of wire i had the same problem with my 2002 cavalier, the cooling fan wasn't kicking on and it was 2000 chevy cavalier running hot! A wiring plug diagram for 2003 chevy cavalier spark plug wires is located in the service manual. Engine cooling radiator nrf 58670 i new oe replacement.

I can only think there is a restricition in the system causing the backup.

Is quiet big with 2 wires going to it that.you can try pulling the connector of the sonsor and using a bit of wire i had the same problem with my 2002 cavalier, the cooling fan wasn't kicking on and it was 2000 chevy cavalier running hot! I can only think there is a restricition in the system causing the backup. I realized my ac compressor was what was. I have a 2002 chevy cavalier with 105,000 miles on it. 1987 vw jetta 2 wiring diagrams. I replaced the fuse and the temperature sensor for it but didnt help. Fan runs @ 190 ok. This is an incomplete collection of various schematics for chevrolet cars and trucks. Use our dual fan wiring diagram and guide to make sure you properly wire your fans to your all builds 1952 chevy truck 1967 chevelle '32 roadster 410 sprint car build bucket beauties chevy dual electric fans could be the solution to your cooling issues. A radiator cooling fan on a chevy cavalier is controlled by the computer. Is there chance to run the gen 3 hv cooling fan motor on the bench? Also my fans are both pretty intermittent. Stop hazzard flasher, radio, hvac, wiper, heater, rear defogger, injection, alarm fuse, cruise, pcm ignition, headlamp, fog lamp, cigar lighter, instrument lamps.

By